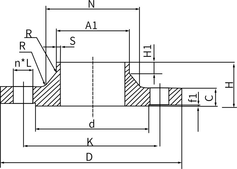
Slip on flange
Posted:2023-08-21

Stainless steel neck flat welding flanges are mainly used for docking during pipeline installation, especially when the diameters of two pipelines are different. The connection method is achieved through welding, and the thickness and pressure requirements are relatively high.











