聯係電話:
0523-8733 8088
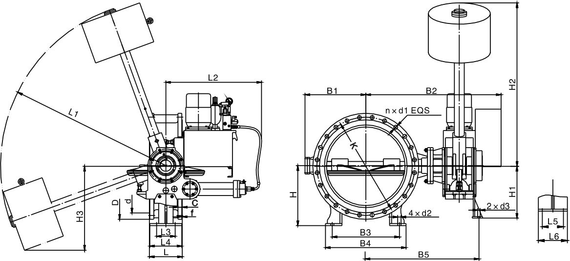
產品詳情
HD7S41X/H液控緩閉止回蝶閥是目(mù)前國內外較新型(xíng)的管路控製設備,具有流阻係數小(xiǎo)、智能化程度(dù)高、功能齊全、性能穩定可(kě)靠等優點。主要安裝於水電站水輪(lún)機進口,用作水(shuǐ)輪機進口閥;或安裝於水利、電力、給排水等各類泵(bèng)站的水泵出口,替代止回閥和閘閥的功能。工作時,閥門與管道主機配合,按照水力過渡過程原理,通過預設的啟閉程序,有效消(xiāo)除管路水錘,實現管路的可靠截止,起到保護管(guǎn)路係統(tǒng)安全(quán)的作用。






