聯係(xì)電話:
0523-8733 8088
產品詳(xiáng)情
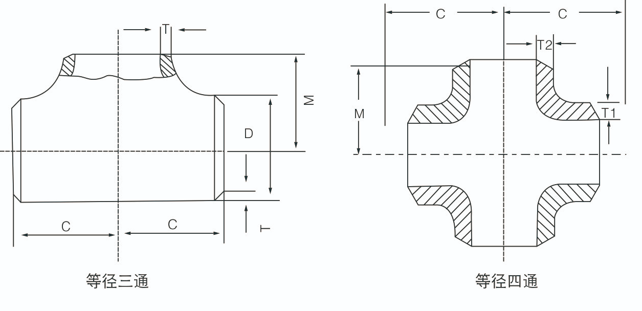
三通(tōng)又稱管件三通或三通管件、三通接頭等。主要(yào)用於改變流體的方向,用於主管支管。它可以(yǐ)按管道尺寸進行分類。一般由碳鋼、鑄鋼、合金鋼、不鏽鋼、銅、鋁合金、塑料、氬氣、聚氯乙烯等材(cái)料製成。


三通(tōng)又稱管件三通或三通管件、三通接頭等。主要(yào)用於改變流體的方向,用於主管支管。它可以(yǐ)按管道尺寸進行分類。一般由碳鋼、鑄鋼、合金鋼、不鏽鋼、銅、鋁合金、塑料、氬氣、聚氯乙烯等材(cái)料製成。



蘇公網安備 32128302001489號