聯(lián)係電話:
0523-8733 8088
產品詳情
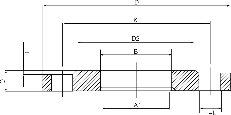
碳鋼平焊(hàn)法蘭(lán)是指與容器或(huò)管道采用角焊縫連接(jiē)的一種法蘭。屬任意式法蘭。設計時根據法蘭環與直筒(tǒng)段連(lián)接(jiē)的整體性程度,分別按整體式(shì)或鬆式法蘭校核。法蘭環有帶頸和不帶頸兩種。與帶頸對焊法(fǎ)蘭(lán)相比,平焊法蘭結構簡(jiǎn)單,用材省,但剛(gāng)度及(jí)密封性不如帶頸對焊(hàn)法蘭。廣泛應用於中低壓容器和管道的連接。碳鋼平焊法蘭適用於壓力等級比較低,壓力波動、振動及震蕩均不嚴重的管道係統中。







