聯(lián)係電話:
0523-8733 8088
產品詳情
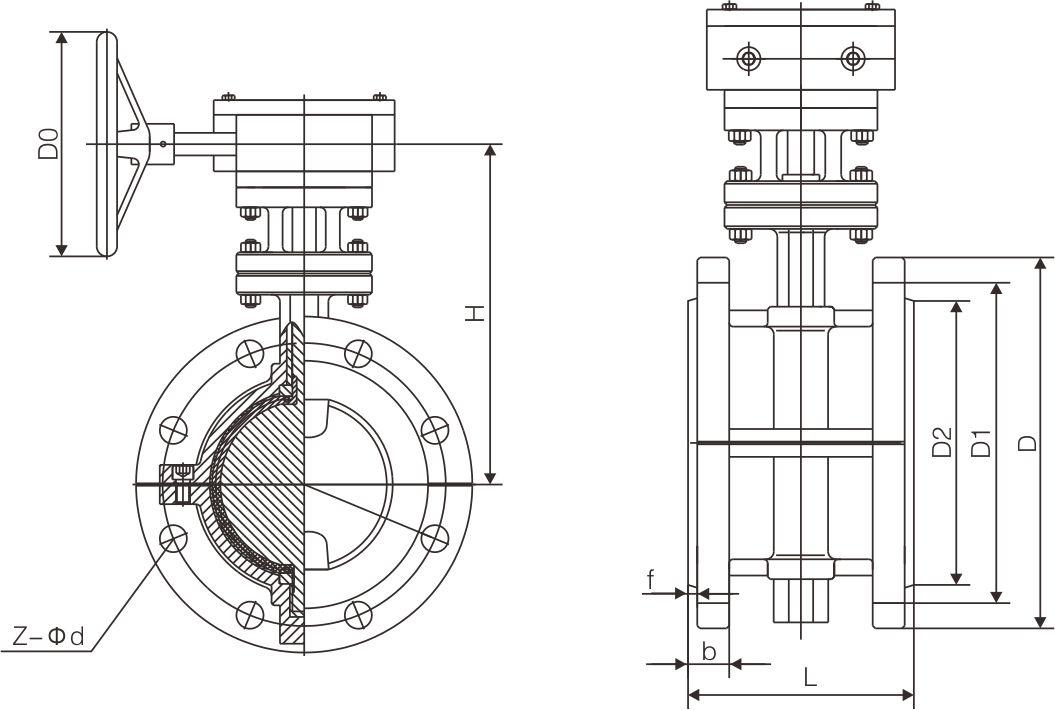
1、設計與製造符合中(zhōng)國國家(jiā)標準;
2、基本(běn)結構形式(蝶板軸與閥體/閥座中心重合);
3、A.D341F4全襯裏型閥體全襯裏/蝶板全襯(chèn)層/襯層蝶板與蝶板軸雙D配合;
4、B.D341F46全襯裏型;
5、C.D341F4(46)/P半襯裏型閥體全襯裏/蝶板為不鏽鋼/蝶板與蝶板軸雙D配合。


1、設計與製造符合中(zhōng)國國家(jiā)標準;
2、基本(běn)結構形式(蝶板軸與閥體/閥座中心重合);
3、A.D341F4全襯裏型閥體全襯裏/蝶板全襯(chèn)層/襯層蝶板與蝶板軸雙D配合;
4、B.D341F46全襯裏型;
5、C.D341F4(46)/P半襯裏型閥體全襯裏/蝶板為不鏽鋼/蝶板與蝶板軸雙D配合。



蘇公網安備 32128302001489號(hào)