襯(chèn)氟(fú)零泄漏球閥LXLQ41F46

產品概況

零泄漏球閥是本公司以整體設計(jì),采用新型結構解決閥門中部等外漏的問(wèn)題。密封設計相對傳統球閥的(de)使用壽命提高5-10倍,具有性能穩定、密封可靠、摩擦力小(xiǎo)、開關輕便(biàn)、耐高溫、耐磨、耐(nài)腐蝕、使用壽命長等優點。

產品詳情

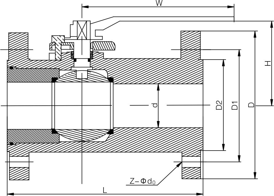
1、閥門采用整體(tǐ)鑄(zhù)造,杜絕中部外漏,閥(fá)蓋采用六角式,裝配緊實,配套(tào)法蘭密封圈,杜絕外(wài)漏。

2、防火(huǒ)結構:當發生火災時,球體隨閥座(zuò)的介質力,使(shǐ)球體緊密接觸(chù)通道口處的金屬唇,達到防(fáng)火硬密封功能。

3、防靜電結構:不(bú)鏽鋼鋼珠受強力彈簧加載,確保球體,閥杆和殼體三者通路,產生的靜電暢(chàng)通輸出。

4、防閥杆飛出結構:閥杆一體台階,確保閥杆受壓不飛出。

5、閥杆五級密封結構:第一級(jí)為倒密封墊片,第二級為VITON或者全氟迷O型圈,第三級為VITON或者全(quán)氮迷O型圈,第四(sì)級為V型PTFE、增強密封、柔性(xìng)石墨、ISO15848填料密封,第五級密(mì)封為碟簧墊,在溫度(dù)和壓力瞬間變(biàn)化,釋放瞬間產生(shēng)的(de)膨脹和壓力值,可以自動補償,從(cóng)而達到良好的密封效果,保證閥杆的密封。

6、閥座(zuò)材料可(kě)以多(duō)種選擇,常用日本(běn)大金RPTFE,TFM1600,TFM4215,耐高溫KFM,PEEK,耐低溫PCTFE等。

7、閥座結構為:弧麵密封具有刮(guā)刀效果,密封更寬,密封效果更顯著。帶泄壓口,開關更輕巧。


Fluorine lined zero leakage ball valve LXLQ41F46(圖1)


不鏽鋼零泄漏球閥(圖(tú)1)


產品(pǐn)推薦(jiàn)