Hydraulic controlled slow closing check butterfly valve

Product overview

Nominal diameter (DN): 150~5000mm

Nominal pressure (PN): 0.25~6.4MPa

Working pressure (MPa): ≤ 1.0xPN

Medium temperature (° C): ≤ 80 ° C

Pipeline medium: clean water, seawater, sediment water, oil, etc


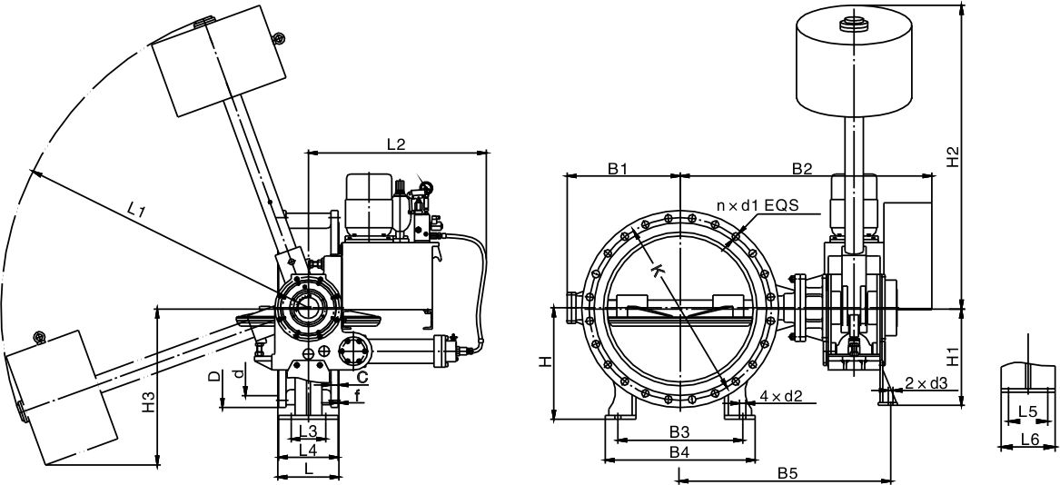
Product Detail

HD7S41X/H hydraulic controlled slow closing check butterfly valve is a relatively new type of pipeline control equipment at home and abroad, with advantages such as low flow resistance coefficient, high intelligence, complete functions, and stable and reliable performance. Mainly installed at the inlet of hydraulic turbines in hydropower stations, used as inlet valves for hydraulic turbines; Or installed at the pump outlet of various pump stations such as water conservancy, electricity, water supply and drainage, to replace the function of check valves and gate valves. During operation, the valve cooperates with the pipeline host, according to the principle of hydraulic transition process, through the preset opening and closing procedures, effectively eliminates the pipeline water hammer, realizes the reliable cut-off of the pipeline, and plays a role in protecting the safety of the Plumbing.


Hydraulic controlled slow closing check butterfly valve(圖1)


Hydraulic controlled slow closing check butterfly valve(圖2)

Recommend