Tel
0523-8733 8088
Pneumatic V-ball valve
Product overview
Product model: VQ647H/Y/F
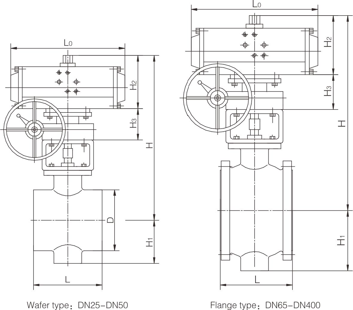
Nominal diameter: DN25~300mm
Pressure range: PN1.6MPa~4.0MPa
Operating temperature: -29℃~425℃
Applicable media: oil, pulp, sugar liquid, solid particles
Valve material: stainless steel 304, 316L
Structural form: fixed ball valve
Matching accessories: solenoid valve, positioner, position switch
Air source accessories: air source treatment triple
V-shaped eccentric ball valve (abbreviated as eccentric ball valve) adopts a unique eccentric structure with the sealing ring. The surface of the ball core is hardened, and has the characteristics of compact structure, good cutting performance, long service life, and both adjustment and cutting functions. Widely used in industrial conditions such as chemical engineering, electricity, light textile, food, medicine, paper making, as well as in municipal engineering, water plants, and other pipelines, it has the function of opening, closing, or regulating the flow of tap water, sewage, oil liquids, air, gas, natural gas, water vapor, and other media. And has received unanimous praise from a large number of users.






