Stainless steel tee

Product overview

Forming process: 1/2 "-16" internal expansion cold processing forming; 18 "-48" hot press molding.

Size: 1/2"-24"(DN15-DN1000)

Standards: GB/T12459, GB/T13401, SH3408, SH3409, HG/T21635, HG/T21631, ASMEB16.9, MSSSP-43, DIN2615, JISB2313

Wall thickness: SCH5S-SCH160

Material: SF2225, SF2205, SF2507, alloy steel, carbon steel, low temperature steel, 304,304 L, 316L, etc


Product Detail

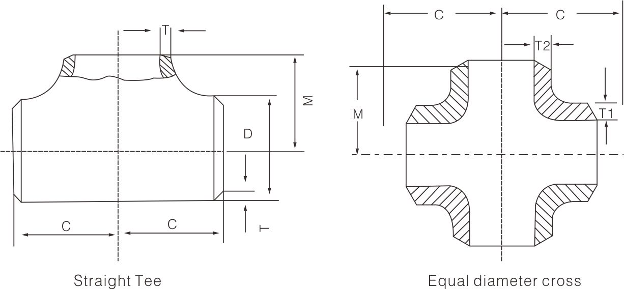
Tee also known as pipe fittings tee or tee pipe fittings, tee joint, etc. Used mainly to change the direction of the fluid, used in the main pipe branch. It can be classified by pipe size. Generally made of carbon steel, cast steel, alloy steel, stainless steel, copper, aluminum alloy, plastic, argon, pvc and other materials.


Stainless steel tee(圖1)


Stainless steel tee(圖2)

Recommend